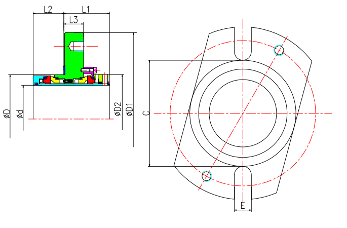
| Double Cartridge Seals by Size | d | C | D | D1 | D2 | E | L1 | L2 | L3 |
| D51-24 | 24 | 60 | 44.7 | 105 | 52 | 12.5 | 50 | 35 | 24 |
| D51-25 | 25 | 60 | 44.7 | 105 | 52 | 12.5 | 50 | 35 | 24 |
| D51-28 | 28 | 60 | 47.7 | 105 | 55 | 12.5 | 50 | 35 | 24 |
| D51-30 | 30 | 60 | 49.7 | 105 | 57 | 12.5 | 50 | 35 | 24 |
| D51-32 | 32 | 60 | 50.9 | 105 | 60 | 12.5 | 50 | 35 | 24 |
| D51-33 | 33 | 60 | 50.9 | 105 | 60 | 12.5 | 50 | 35 | 24 |
| D51-35 | 35 | 67 | 54.7 | 115 | 62 | 12.5 | 50 | 35 | 24 |
| D51-38 | 38 | 75 | 57.7 | 130 | 65 | 14.7 | 50 | 35 | 24 |
| D51-40 | 40 | 75 | 59.7 | 130 | 67 | 14.7 | 50 | 35 | 24 |
| D51-43 | 43 | 82 | 62.7 | 140 | 70 | 14.7 | 50 | 35 | 24 |
| D51-45 | 45 | 82 | 64.7 | 140 | 72 | 14.7 | 50 | 35 | 24 |
| D51-48 | 48 | 82 | 67.7 | 140 | 75 | 14.7 | 50 | 35 | 24 |
| D51-50 | 50 | 82 | 69.7 | 140 | 77 | 14.7 | 50 | 35 | 24 |
| D51-53 | 53 | 92 | 72.7 | 150 | 80 | 17.5 | 50 | 35 | 24 |
| D51-55 | 55 | 92 | 74.7 | 150 | 82 | 17.5 | 50 | 35 | 24 |
| D51-60 | 60 | 100 | 79.7 | 160 | 87 | 17.5 | 50 | 35 | 24 |
| D51-65 | 65 | 100 | 84.7 | 160 | 92 | 17.5 | 50 | 35 | 24 |
| D51-70 | 70 | 112 | 89.7 | 180 | 97 | 17.5 | 50 | 35 | 24 |
| D51-75 | 75 | 125 | 102.8 | 190 | 108 | 17.5 | 54 | 39 | 25 |
| D51-80 | 80 | 130 | 107.8 | 190 | 113 | 17.5 | 54 | 39 | 25 |
| D51-85 | 85 | 135 | 112.8 | 220 | 118 | 21.5 | 54 | 39 | 25 |
| D51-90 | 90 | 140 | 117.8 | 220 | 123 | 21.5 | 54 | 39 | 25 |
| D51-95 | 95 | 145 | 122.8 | 220 | 128 | 21.5 | 54 | 39 | 25 |
| D51-100 | 100 | 150 | 127.8 | 220 | 133 | 21.5 | 54 | 39 | 25 |
| Double Cartridge Seals by Size | d | C | D | D1 | D2 | E | L1 | L2 | L3 |
| D51-1" | 1 | 2.382 | 1.76 | 4.134 | 1.85 | 0.492 | 2.126 | 1.387 | 0.945 |
| D51-1.125" | 1 1/8 | 2.362 | 1.878 | 4.134 | 1.969 | 0.492 | 2.126 | 1.387 | 0.945 |
| D51-1.25" | 1 1/4 | 2.362 | 2.004 | 4.134 | 2.126 | 0.492 | 2.126 | 1.387 | 0.945 |
| D51-1.375" | 1 3/8 | 2.638 | 2.154 | 4.528 | 2.244 | 0.492 | 2.126 | 1.387 | 0.945 |
| D51-1.5" | 1 1/2 | 2.953 | 2.272 | 5.118 | 2.362 | 0.579 | 2.126 | 1.387 | 0.945 |
| D51-1.625" | 1 5/8 | 3.228 | 2.429 | 5.512 | 2.52 | 0.579 | 2.126 | 1.387 | 0.945 |
| D51-1.75" | 1 3/4 | 3.228 | 2.547 | 5.512 | 2.638 | 0.579 | 2.126 | 1.387 | 0.945 |
| D51-1.875" | 1 7/8 | 3.228 | 2.665 | 5.512 | 2.756 | 0.579 | 2.126 | 1.387 | 0.945 |
| D51-2" | 2 | 3.228 | 2.744 | 5.512 | 2.835 | 0.579 | 2.126 | 1.387 | 0.945 |
| D51-2.125" | 2 1/8 | 3.622 | 2.862 | 5.906 | 2.953 | 0.689 | 2.126 | 1.387 | 0.945 |
| D51-2.25" | 2 1/4 | 3.622 | 3.02 | 5.906 | 3.11 | 0.689 | 2.126 | 1.387 | 0.945 |
| D51-2.375" | 2 3/8 | 3.937 | 3.138 | 6.299 | 3.228 | 0.689 | 2.126 | 1.387 | 0.945 |
| D51-2.5" | 2 1/2 | 3.937 | 3.256 | 6.299 | 3.346 | 0.689 | 2.126 | 1.387 | 0.945 |
| D51-2.625" | 2 5/8 | 4.409 | 3.413 | 7.087 | 3.504 | 0.689 | 2.126 | 1.387 | 0.945 |
| D51-2.75" | 2 3/4 | 4.409 | 3.531 | 7.087 | 3.622 | 0.689 | 2.126 | 1.387 | 0.945 |
| D51-2.875" | 2 7/8 | 4.843 | 3.969 | 7.48 | 3.976 | 0.689 | 2.126 | 1.387 | 0.945 |
| D51-3" | 3 | 4.921 | 4.047 | 7.48 | 4.055 | 0.689 | 2.283 | 1.535 | 0.984 |
| D51-3.125" | 3 1/8 | 5.118 | 4.244 | 7.48 | 4.252 | 0.689 | 2.283 | 1.535 | 0.984 |
| D51-3.25" | 3 1/4 | 5.236 | 4.362 | 7.48 | 4.37 | 0.689 | 2.283 | 1.535 | 0.984 |
| D51-3.375" | 3 3/8 | 5.315 | 4.441 | 8.661 | 4.449 | 0.846 | 2.283 | 1.535 | 0.984 |
| D51-3.5" | 3 1/2 | 5.512 | 4.638 | 8.661 | 4.646 | 0.846 | 2.283 | 1.535 | 0.984 |
| D51-3.625" | 3 5/8 | 5.591 | 4.717 | 8.661 | 4.724 | 0.846 | 2.283 | 1.535 | 0.984 |
| D51-3.75" | 3 3/4 | 5.709 | 4.835 | 8.661 | 4.843 | 0.846 | 2.283 | 1.535 | 0.984 |
| D51-3.875" | 3 7/8 | 5.906 | 5.031 | 8.661 | 5.039 | 0.846 | 2.283 | 1.535 | 0.984 |
| D51-4" | 4 | 5.906 | 5.031 | 8.661 | 5.039 | 0.846 | 2.283 | 1.535 | 0.984 |